Электродвигатели предназначены для внутренних и наружных установок в химической, газовой, нефтеперерабатывающей и смежных отраслях промышленности, где могут образовываться взрывоопасные смеси газов и паров с воздухом, отнесенные к категориям IIА, IIВ по ГОСТ Р 51330.11-99, ГОСТ 30852.11-2002 и группам воспламеняемости Т1, Т2, Т3, Т4 по ГОСТ Р 51330.5-99, ГОСТ 30852.5-2002.
Номинальная мощность -15 и 18,5 кВт
Напряжение 380/660В.
Маркировка взрывозащиты - lExdIIBT4 X.
Степень защиты оболочки двигателя от внешних воздействий - IP67 по ГОСТ 14254-96, ГОСТ IEC 60034-5-2011.
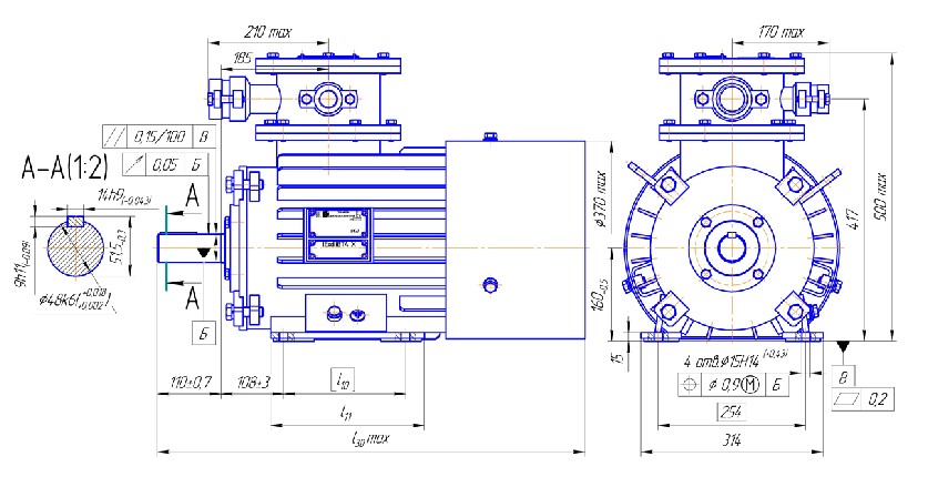
Габаритные, установочно-присоединительные размеры и масса двигателей 2АИМРМ160
Конструктивное исполнение двигателей по способу монтажа IM 1081:

Таблица 1 Размеры в миллиметрах
| Типоразмер двигателя | l10 | l11 | l30 max | Масса, кг |
| 2АИМРМ160S4 | 178 | 225 | 690 | 185 |
| 2АИМРМ160M4 | 210 | 265 | 740 | 205 |
Купить 2АИМРМ160 в регионе Ярославль.