Электродвигатели 2ВРМ280 предназначены для привода вентиляторов местного проветривания, работающих в подземных выработках угольных шахт, опасных по газу (метану) и угольной пыли и отнесённых к группе I по ГОСТ 30852.0-2002.
Область применения двигателей - в подземных выработках угольных шахт в соответствии с «Федеральными нормами и правилами в области промышленной безопасности «Правила безопасности в угольных шахтах».
Маркировка взрывозащиты - РВ Exd[ia]I Х по ГОСТ 30852.0-2002, ГОСТ 30852.10-2002.
Знак «Х» в обозначении маркировки взрывозащиты означает, что двигатели являются взрывобезопасными и работоспособными только в сборе с вентилятором, установленной коробкой выводов и переходным патрубком.
Двигатели изготавливаются в качестве комплектующих изделий.
Номинальная мощность - 110 и 160 кВт.
Климатическое исполнение двигателей - У5.
Двигатели рассчитаны для работы от сети переменного тока частотой 50 Гц с номинальным напряжением 380/660 или 660/1140 В в продолжительном режиме S1 по ГОСТ Р 52776-2007.
Двигатели имеют степень защиты IP54 по ГОСТ 14254-96, ГОСТ IEC 60034-5-2011.
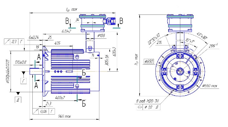
Габаритные, установочно-присоединительные размеры и масса двигателей 2ВРМ280L4
Конструктивное исполнение по способу монтажа IM 4002:



1. Предельное отклонение массы +5%. Отклонение в противоположную сторону не ограничивается.
Таблица 1
| h31 max, мм | Масса двигателя, кг | ||
| с коробкой выводов с двумя вводами (рисунок 1) | с коробкой выводов с тремя вводами (рисунок 2) | с коробкой выводов с двумя вводами (рисунок 1) | с коробкой выводов с тремя вводами (рисунок 2) |
| 1080 | 1095 | 1260 | 1265 |
Конструктивное исполнение по способу монтажа IM 4001:



1. Предельное отклонение массы +5%. Отклонение в противоположную сторону не ограничивается.
Таблица 2
| h31 max | h35 ±3 |
Масса двигателя, кг | ||
| с коробкой выводов с двумя вводами (рисунок 1) | с коробкой выводов с тремя вводами (рисунок 2) | с коробкой выводов с двумя вводами (рисунок 1) | с коробкой выводов с тремя вводами (рисунок 2) | |
| 1080 | 1095 | 530 | 1250 | 1255 |
| 1180 | 1195 | 630 | 1255 | 1260 |
| 1280 | 1295 | 730 | 1260 | 1265 |
Габаритные, установочно-присоединительные размеры и масса двигателей 2ВРМ280S4
Конструктивное исполнение по способу монтажа IM 4001:



1. Предельное отклонение массы +5%. Отклонение в противоположную сторону не ограничивается.
Таблица 3
| l30 max | h31 max | Масса двигателя, кг | |||
| с коробкой выводов с двумя вводами (рисунок 1) | с коробкой выводов с тремя вводами (рисунок 2) | с коробкой выводов с двумя вводами (рисунок 1) | с коробкой выводов с тремя вводами (рисунок 2) | с коробкой выводов с двумя вводами (рисунок 1) | с коробкой выводов с тремя вводами (рисунок 2) |
| 1155 | 1185 | 1195 | 1210 | 960 | 965 |
Купить 2ВРМ280 в регионе Ярославль.