Новости и акции компании
Электродвигатель АБК200 разработан взамен электродвигателя усл.№ 548.
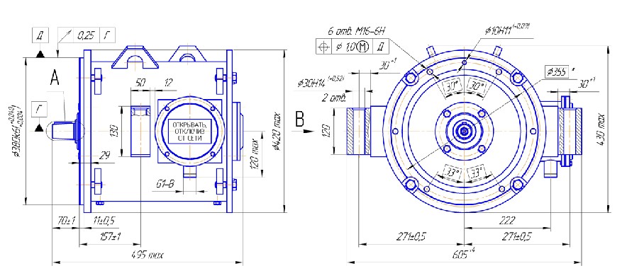
Габаритные, установочно-присоединительные размеры и масса двигателя АБК200 взамен электродвигателя усл.№ 548
Конструктивное исполнение двигателей по способу монтажа IP 54 (220/380 В;50 Гц; 5,5 кВт; 970 об/мин; S3, 50%):


1. * Уточненный размер (∅355).
2. Масса двигателя - 210 кг.
Купить АБК200 в регионе Ярославль.