Новости и акции компании
Диафрагменный перекачивающий насос BOXER 251
Возможности перекачивающего насоса BOXER 251
Варианты исполнения


Расшифровка сокращений
Технические характеристики
|
Отверстия забора/сброса
|
G 1 1/2“
|
|
Подключение пневматической магистрали
|
G 1/2»
|
|
Max. высота забора в сухом состоянии*
|
6 м.
|
|
Max. производительность
|
340 л/мин.
|
|
Max. напор*
|
70 м.
|
|
Max. давление подачи воздуха
|
7 бар
|
|
Max. диаметр твёрдых частиц
|
6 мм.
|
|
Материал исполнения
|
ALU
|
AISI 316
|
|
Max.температура (zone 2)
|
95
|
95
|
|
Вес нетто
|
21.0 кг
|
32.0 кг
|
График производительности насоса

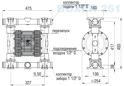
Внешние и установочные размеры (мм)

Купить BOXER 251 в регионе Ярославль.