Новости и акции компании
Диафрагменный химический насос повышенной производительности BOXER 502
Основные возможности химического насоса BOXER 502
Варианты исполнения




Расшифровка сокращений
Технические характеристики
|
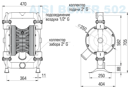
Отверстия забора/сброса
|
G 2“ f или DN 50
|
|
Отверстие для подачи воздуха
|
G 1/2»
|
|
Max. высота забора в сухом состоянии*
|
4 м.
|
|
Max. производительность
|
650 л/мин.
|
|
Max. напор*
|
70 м.
|
|
Max. допустимое входное давление воздуха
|
7 бар
|
|
Max. диаметр твёрдых частиц
|
8 мм.
|
|
Материал исполнения
|
PP
|
PVDF
|
ALU
|
AISI 316
|
|
Max.температура (zone 2)
|
60
|
95
|
95
|
95
|
|
Вес нетто
|
48.0 кг
|
65.0 кг
|
49.0 кг
|
54.0 кг
|
График производительности насоса

Внешние и установочные размеры (мм)


Купить BOXER 502 в регионе Ярославль.