Герметизированные необслуживаемые свинцово-кислотные аккумуляторы DELTA серии DTM L изготавливаются по технологии AGM (электролит, абсорбированный в стекловолоконном сепараторе)
и оснащены VRLA клапанами. Серия DTM L относится к линейке Long Life со сроком службы
до 12 лет.
Благодаря широкому ассортименту и высоким эксплуатационным характеристикам, рекомендованы для применения в различных системах бесперебойного питания, в том числе требовательных электрических приборов (погружных и циркуляционных насосов и котлов систем отопления), аварийного энергоснабжения, прочих электрических устройствах.
Конструкция батареи
| Компонент |
Полож. пластина |
Отриц. пластина |
Корпус |
Крышка |
Клапан |
Клеммы |
Сепаратор |
Электролит |
| Материал |
Диоксид свинца |
Свинец |
ABS |
ABS |
Каучук |
Медь |
Стекловолокно |
Серная кислота |
Технические характеристики
Номинальное напряжение | 12 В |
Срок службы | 10-12 лет |
| Номинальная емкость (25°С) |
10 часовой разряд (6.5 А; 1.80 В/эл)
| 65 Ач |
5 часовой разряд (10.8 А; 1.75 В/эл) | 54 Ач |
1 часовой разряд (43.1 А; 1.60 В/эл) | 43.1 Ач |
|
Саморазряд | 3% емкости в месяц при 20°С |
Внутреннее сопротивление полностью заряженной батареи (25°С) | 6 мОм |
|
Особенности
- Технология AGM позволяет рекомбинировать до 99% выделяемого газа;
- Нет ограничений на воздушные перевозки;
- Соответствие требованиям UL, IEC, Гост Р;
- Легированные кальцием свинцовые пластины обеспечивают низкий саморазряд, высокую конструктивную прочность решетки;
- Необслуживаемые. Не требует долива воды;
- Высокая плотность энергии;
- Корпус аккумулятора выполнен из пластика ABS,
не поддерживающего горение.
|
Рабочий диапазон температур |
Разряд | -20÷60 |
Заряд | -10÷60 |
Хранение | -20÷60 |
Макс. разрядный ток (25°С) | 650 А (5с) |
| Циклический режим (2.3÷2.35 В/эл) |
Температурная компенсация | 30 мВ/°С |
| Буферный режим (2.23÷2.27 В/эл) |
Температурная компенсация | 19 мВ/°С |
Cферы применения
- Источники бесперебойного питания
- Источники резервного энергоснабжения
- Медицинское оборудование
- Кресла-каталки
- Насосы, котлы систем отопления
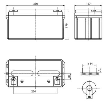
Корпус B | Тип клемм под болт M6 |
|
|
|
Габариты (±1мм)

|
Разряд постоянным током, А (при 25°С) |
| В/эл-т | 5 мин | 10 мин | 15 мин | 30 мин | 45 мин | 1 ч | 3 ч | 5 ч | 10 ч |
| 1.60V | 207 | 154 | 121 | 68.4 | 50.9 | 43.1 | 16.9 | 11.5 | 6.58 |
| 1.65V | 196 | 149 | 116 | 66.3 | 49.5 | 42.0 | 16.5 | 11.2 | 6.56 |
| 1.70V | 184 | 138 | 110 | 64.3 | 48.2 | 41.0 | 16.1 | 11.0 | 6.54 |
| 1.75V | 172 | 127 | 104 | 62.2 | 46.7 | 39.9 | 15.7 | 10.8 | 6.52 |
| 1.80V | 159 | 116 | 96.5 | 59.9 | 45.3 | 39.0 | 15.4 | 10.6 | 6.50 |
Разряд постоянной мощностью, Вт/эл-т (при 25°С)
|
| В/эл-т | 5 мин | 10 мин | 15 мин | 30 мин | 45 мин | 1 ч | 3 ч | 5 ч | 10 ч |
| 1.60V | 368 | 272 | 197 | 119 | 90.7 | 78.8 | 33.8 | 22.5 | 12.8 |
| 1.65V | 347 | 258 | 193 | 118 | 89.3 | 77.0 | 33.1 | 22.3 | 12.7 |
| 1.70V | 325 | 243 | 190 | 117 | 87.9 | 75.3 | 32.4 | 21.8 | 12.6 |
| 1.75V | 304 | 229 | 186 | 114 | 85.5 | 73.5 | 31.8 | 21.6 | 12.5 |
| 1.80V | 292 | 212 | 177 | 112 | 84.4 | 72.7 | 31.1 | 21.4 | 12.4 |
(Примечание) Приведенные выше данные по характеристикам являются средними значениями, полученными в результате проведения 3 контрольно-
тренировочных циклов, и не являются номинальными по умолчанию.
Продукция постоянно совершенствуется, поэтому фирма-изготовитель оставляет за собой право вносить изменения без предварительного уведомления.