Двухвольтовые свинцово-кислотные необслуживаемые моноблоки DELTA серии GSC изготовлены по технологии GEL.
В качестве электролита используется композитный гель, что обеспечивает устойчивость аккумуляторов Delta GSC к глубоким разрядам и высокую стабильность.
Увеличение срока службы до 20 лет достигнуто за счет увеличения толщины пластин и объема активной массы, а также применения технологичных компонентов в составе АКБ. Предназначены для работы как в буферном, так и в циклическом режимах, совместно с тяжелыми системами питания ключевых потребителей, требующих наивысшей степени надежности электропитания. Рекомендованы для применения в автономных энергосистемах на базе альтернативных источников питания.
Конструкция батареи
| Компонент |
Полож. пластина |
Отриц. пластина |
Корпус |
Крышка |
Клапан |
Клеммы |
Сепаратор |
Электролит |
| Материал |
Диоксид свинца |
Свинец |
ABS |
ABS |
Каучук |
Медь |
Стекловолокно |
Серная кислота |
Технические характеристики
Номинальное напряжение | 2 В |
Срок службы | 20 лет |
| Номинальная емкость (25°С) |
10 часовой разряд (300 А; 1.80 В/эл)
| 3000 Ач |
5 часовой разряд (540 А; 1.75 В/эл) | 2700 Ач |
1 часовой разряд (1803 А; 1.65 В/эл) | 1803 Ач |
|
Саморазряд | 3% емкости в месяц при 20°С |
Внутреннее сопротивление полностью заряженной батареи (25°С) | 0.08 мОм |
|
Особенности
- Продолжительный срок службы;
- Устойчивость к глубоким разрядам;
- Температурная стабильность характеристик;
- Исключены утечки кислоты, гарантирована безопасная эксплуатация с другим оборудованием;
- Отсутствует газовыделение, достаточно естественной вентиляции;
- Нет необходимости в контроле уровня и доливе воды;
- Корпус аккумулятора выполнен из пластика ABS,
не поддерживающего горение.
|
Рабочий диапазон температур |
Разряд | -20÷60 |
Заряд | -10÷60 |
Хранение | -20÷60 |
Макс. разрядный ток (25°С) | 7000 А (5с) |
| Циклический режим (2.35÷2.45 В/эл) |
Температурная компенсация | 5 мВ/°С |
| Буферный режим (2.25÷2.3 В/эл) |
Температурная компенсация | 3.3 мВ/°С |
Cферы применения
- Резервное питание станций сотовой и радиорелейной связи
- Системы связи и телекоммуникаций
- Источники бесперебойного питания
- Системы солнечной и ветроэнергетики
- Телефонные станции
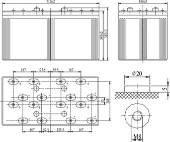
Корпус E 2V | Тип клемм под болт М8 |
|
|
|
Габариты (±1мм)

|
Разряд постоянным током, А (при 25°С) |
| В/эл-т | 5 мин | 10 мин | 15 мин | 30 мин | 45 мин | 1 ч | 3 ч | 5 ч | 10 ч |
| 1.60V | 7983 | 5165 | 4033 | 2989 | 2173 | 1860 | 836 | 582 | 321 |
| 1.65V | 7567 | 4896 | 3839 | 2857 | 2086 | 1803 | 809 | 570 | 318 |
| 1.70V | 7136 | 4617 | 3639 | 2720 | 1994 | 1747 | 785 | 560 | 313 |
| 1.75V | 6694 | 4331 | 3436 | 2579 | 1898 | 1688 | 750 | 540 | 307 |
| 1.80V | 6246 | 4041 | 3230 | 2434 | 1800 | 1642 | 717 | 530 | 300 |
Разряд постоянной мощностью, Вт/эл-т (при 25°С)
|
| В/эл-т | 5 мин | 10 мин | 15 мин | 30 мин | 45 мин | 1 ч | 3 ч | 5 ч | 10 ч |
| 1.60V | 11661 | 7748 | 6050 | 4484 | 3477 | 2976 | 1423 | 922 | 501 |
| 1.65V | 11097 | 7344 | 5759 | 4286 | 3338 | 2895 | 1386 | 906 | 499 |
| 1.70V | 10485 | 6926 | 5459 | 4088 | 3199 | 2814 | 1346 | 888 | 491 |
| 1.75V | 9718 | 6497 | 5154 | 3890 | 3060 | 2733 | 1302 | 869 | 488 |
| 1.80V | 9231 | 6062 | 4845 | 3692 | 2921 | 2652 | 1268 | 826 | 466 |
(Примечание) Приведенные выше данные по характеристикам являются средними значениями, полученными в результате проведения 3 контрольно-
тренировочных циклов, и не являются номинальными по умолчанию.
Продукция постоянно совершенствуется, поэтому фирма-изготовитель оставляет за собой право вносить изменения без предварительного уведомления.