Герметизированные, необслуживаемые свинцово-кислотные аккумуляторы DELTA серии GX изготовлены по технологии GEL.
В качестве электролита используется композитный гель - загущенный раствор серной кислоты, что обеспечивает устойчивость аккумуляторов Delta GX к глубоким разрядам и высокую температурную стабильность, а также увеличивает число циклов заряда/разряда, и продолжительность работы в тяжелых режимах систем на базе возобновляемых источников энергии.
Аккумуляторы предназначены для работы как в буферном, так и в циклическом режимах. Рекомендуются для применения в автономных энергосистемах, а также совместно с системами на базе альтернативных источников энергии.
Конструкция батареи
| Компонент |
Полож. пластина |
Отриц. пластина |
Корпус |
Крышка |
Клапан |
Клеммы |
Сепаратор |
Электролит |
| Материал |
Диоксид свинца |
Свинец |
ABS |
ABS |
Каучук |
Медь |
Стекловолокно |
Серная кислота |
Технические характеристики
Номинальное напряжение | 12 В |
Срок службы | 10-12 лет |
| Номинальная емкость (25°С) |
20 часовой разряд (4 А; 1.75 В/эл)
| 80 Ач |
10 часовой разряд (7.52 А; 1.75 В/эл) | 75.2 Ач |
5 часовой разряд (13.3 А; 1.75 В/эл) | 66.5 Ач |
|
Саморазряд | 3% емкости в месяц при 20°С |
Внутреннее сопротивление полностью заряженной батареи (25°С) | 5.7 мОм |
|
Особенности
- Продолжительный срок службы;
- Устойчивость к глубоким разрядам;
- Температурная стабильность характеристик;
- Исключены утечки кислоты, гарантирована безопасная эксплуатация с другим оборудованием;
- Отсутствует газовыделение, достаточно естественной вентиляции;
- Нет необходимости в контроле уровня и доливе воды;
- Корпус аккумулятора выполнен из пластика ABS,
не поддерживающего горение.
|
Рабочий диапазон температур |
Разряд | -20÷60 |
Заряд | -10÷60 |
Хранение | -20÷60 |
Макс. разрядный ток (25°С) | 750 А (5с) |
| Циклический режим (2.3÷2.35 В/эл) |
Температурная компенсация | 30 мВ/°С |
| Буферный режим (2.23÷2.27 В/эл) |
Температурная компенсация | 19.8 мВ/°С |
Cферы применения
- Источники бесперебойного питания
- Системы связи и телекоммуникаций
- Системы солнечной и ветроэнергетики
- Автономные системы электроснабжения
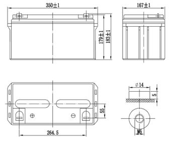
Корпус B | Тип клемм под болт M6 |
|
|
|
Габариты (±1мм)

|
Разряд постоянным током, А (при 25°С) |
| В/эл-т | 5 мин | 10 мин | 15 мин | 30 мин | 45 мин | 1 ч | 3 ч | 5 ч | 10 ч |
| 1.60V | 235 | 180 | 138 | 83.1 | 61.3 | 50.3 | 20.9 | 13.9 | 7.67 |
| 1.65V | 221 | 171 | 132 | 80.5 | 58.9 | 47.9 | 20.5 | 13.7 | 7.62 |
| 1.70V | 207 | 161 | 127 | 77.9 | 57.5 | 47.1 | 20.1 | 13.5 | 7.57 |
| 1.75V | 194 | 153 | 122 | 75.3 | 56.1 | 46.4 | 19.7 | 13.3 | 7.52 |
| 1.80V | 181 | 143 | 114 | 72.8 | 54.7 | 45.6 | 19.2 | 13.1 | 7.34 |
Разряд постоянной мощностью, Вт/эл-т (при 25°С)
|
| В/эл-т | 5 мин | 10 мин | 15 мин | 30 мин | 45 мин | 1 ч | 3 ч | 5 ч | 10 ч |
| 1.60V | 418 | 322 | 264 | 160 | 124 | 106 | 40.0 | 27.5 | 15.6 |
| 1.65V | 397 | 306 | 255 | 156 | 120 | 102 | 39.5 | 27.3 | 15.4 |
| 1.70V | 373 | 291 | 247 | 151 | 118 | 100 | 38.9 | 27.0 | 15.4 |
| 1.75V | 352 | 276 | 237 | 147 | 116 | 99.3 | 38.4 | 26.8 | 15.4 |
| 1.80V | 329 | 260 | 223 | 144 | 114 | 98.4 | 37.6 | 26.5 | 15.3 |
(Примечание) Приведенные выше данные по характеристикам являются средними значениями, полученными в результате проведения 3 контрольно-
тренировочных циклов, и не являются номинальными по умолчанию.
Продукция постоянно совершенствуется, поэтому фирма-изготовитель оставляет за собой право вносить изменения без предварительного уведомления.