Герметизированные, необслуживаемые свинцово-кислотные аккумуляторы DELTA серии GX изготовлены по технологии GEL.
В качестве электролита используется композитный гель - загущенный раствор серной кислоты, что обеспечивает устойчивость аккумуляторов Delta GX к глубоким разрядам и высокую температурную стабильность, а также увеличивает число циклов заряда/разряда, и продолжительность работы в тяжелых режимах систем на базе возобновляемых источников энергии.
Аккумуляторы предназначены для работы как в буферном, так и в циклическом режимах. Рекомендуются для применения в автономных энергосистемах, а также совместно с системами на базе альтернативных источников энергии.
Конструкция батареи
| Компонент |
Полож. пластина |
Отриц. пластина |
Корпус |
Крышка |
Клапан |
Клеммы |
Сепаратор |
Электролит |
| Материал |
Диоксид свинца |
Свинец |
ABS |
ABS |
Каучук |
Медь |
Стекловолокно |
Серная кислота |
Технические характеристики
Номинальное напряжение | 12 В |
Срок службы | 10-12 лет |
| Номинальная емкость (25°С) |
10 часовой разряд (9 А; 1.80 В/эл)
| 90 Ач |
5 часовой разряд (16.2 А; 1.75 В/эл) | 81 Ач |
1 часовой разряд (56.6 А; 1.65 В/эл) | 56.6 Ач |
|
Саморазряд | 3% емкости в месяц при 20°С |
Внутреннее сопротивление полностью заряженной батареи (25°С) | 5.4 мОм |
|
Особенности
- Продолжительный срок службы;
- Устойчивость к глубоким разрядам;
- Температурная стабильность характеристик;
- Исключены утечки кислоты, гарантирована безопасная эксплуатация с другим оборудованием;
- Отсутствует газовыделение, достаточно естественной вентиляции;
- Нет необходимости в контроле уровня и доливе воды;
- Корпус аккумулятора выполнен из пластика ABS,
не поддерживающего горение.
|
Рабочий диапазон температур |
Разряд | -20÷60 |
Заряд | -10÷60 |
Хранение | -20÷60 |
Макс. разрядный ток (25°С) | 800 А (5с) |
| Циклический режим (2.3÷2.35 В/эл) |
Температурная компенсация | 30 мВ/°С |
| Буферный режим (2.23÷2.27 В/эл) |
Температурная компенсация | 19.8 мВ/°С |
Cферы применения
- Источники бесперебойного питания
- Системы связи и телекоммуникаций
- Системы солнечной и ветроэнергетики
- Автономные системы электроснабжения
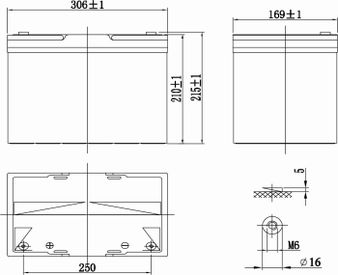
Корпус B | Тип клемм под болт M6 |
|
|
|
Габариты (±1мм)

|
Разряд постоянным током, А (при 25°С) |
| В/эл-т | 5 мин | 10 мин | 15 мин | 30 мин | 45 мин | 1 ч | 3 ч | 5 ч | 10 ч |
| 1.60V | 288 | 218 | 173 | 100 | 74.7 | 62.0 | 27.0 | 17.2 | 9.30 |
| 1.65V | 269 | 208 | 162 | 95.0 | 71.5 | 56.6 | 26.0 | 17.0 | 9.25 |
| 1.70V | 252 | 186 | 153 | 90.0 | 67.9 | 56.0 | 25.0 | 16.7 | 9.18 |
| 1.75V | 228 | 175 | 142 | 87.3 | 65.5 | 54.6 | 24.2 | 16.2 | 9.10 |
| 1.80V | 203 | 163 | 132 | 84.2 | 63.0 | 52.4 | 23.1 | 15.7 | 9.00 |
Разряд постоянной мощностью, Вт/эл-т (при 25°С)
|
| В/эл-т | 5 мин | 10 мин | 15 мин | 30 мин | 45 мин | 1 ч | 3 ч | 5 ч | 10 ч |
| 1.60V | 516 | 373 | 308 | 189 | 145 | 117 | 48.3 | 32.3 | 17.4 |
| 1.65V | 503 | 364 | 303 | 180 | 139 | 112 | 48.2 | 31.9 | 17.4 |
| 1.70V | 452 | 345 | 284 | 171 | 129 | 107 | 46.8 | 31.5 | 17.3 |
| 1.75V | 425 | 343 | 281 | 167 | 128 | 103 | 45.4 | 30.7 | 17.3 |
| 1.80V | 391 | 314 | 267 | 163 | 125 | 101 | 45.2 | 30.3 | 17.2 |
(Примечание) Приведенные выше данные по характеристикам являются средними значениями, полученными в результате проведения 3 контрольно-
тренировочных циклов, и не являются номинальными по умолчанию.
Продукция постоянно совершенствуется, поэтому фирма-изготовитель оставляет за собой право вносить изменения без предварительного уведомления.