Новости и акции компании
Химический центробежный насос с магнитной муфтой DM 06
Основные возможности центробежного насоса с магнитной муфтой DM 06
Типовые конфигурации
|
DM 06 (0,25 кВт)
|
PP-VITON
|
DM06P-SV1BE063
|
|
|
PP-EPDM
|
DM06P-SD1BE063
|
||
|
DM 06 (0,37 кВт)
|
PP-VITON
|
DM06P-SV1BE071
|
|
|
PP-EPDM
|
DM06P-SD1BE071
|
||
|
DM 06 (0,25 кВт)
|
PVDF-VITON
|
DM06FCSV1BE063
|
|
|
PVDF-EPDM
|
DM06FCSD1BE063
|
||
|
DM 06 (0,37 кВт)
|
PVDF-VITON
|
DM06FCSV1BE071
|
|
|
PVDF-EPDM
|
DM06FCSD1BE071
|
Расшифровка сокращений
Технические характеристики
|
Подсоединение забора
|
G 1“ F или фланец DN 25
|
|
Подсоединение сброса
|
G 3/4“ M или фланец DN 20
|
|
Макс. производительность1
|
7 м³ /ч
|
|
Макс. высота напора1
|
8,5 м
|
|
Макс. диаметр твёрдых частиц
|
0 мм
|
|
Макс. вязкость перекачиваемой жидкости
|
150 сПз
|
|
Макс. уровень шума
|
48 дБ
|
|
Материал исполнения
|
PP
|
PVDF
|
|
|
Макс. температура жидкости
|
65°C
|
95°C
|
|
|
Вес нетто / брутто2, кг
|
0,25 кВт
|
6,7/14,7
|
7/15 |
|
0,37 кВт
|
7,5/15,5
|
7,8/15,8
|
|
|
Размер упаковки3, см
|
47x23x35 Д
|
||
Технические характеристики электродвигателя
|
Типоразмер двигателя
|
IEC 63 / IEC 71
|
|
Мощность
|
0,25 кВт / 0,37 кВт
|
|
Напряжение
|
230/400В — 50/60 Гц, 3 фазы*, 2900 об/мин, 2 полюса
|
|
Класс энергоэффективности
|
IE3
|
|
Класс изоляции
|
F
|
|
Класс пылевлагозащиты
|
IP55
|
|
Температура окружающей среды
|
— 30°C + 45°C
|
* — однофазное исполнение по дополнительному запросу
График производительности насоса

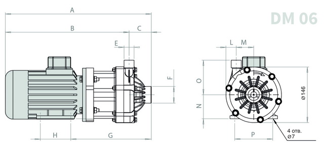
Внешние и установочные размеры (мм)

|
A
|
B
|
C
|
E
|
F
|
G |
H
|
L
|
M
|
N
|
O
|
P
|
|
|
0,25 кВт
|
383
|
325
|
58
|
G 3/4“ M
|
G 1“ F
|
211
|
80
|
27
|
46
|
63
|
91
|
100
|
|
0,37 кВт
|
404
|
346
|
58
|
G 3/4“ M
|
G 1» F
|
217
|
90
|
27
|
46
|
71
|
91
|
112
|
Купить DM06 в регионе Ярославль.