Москва: +7 (495)
6696898
Санкт-Петербург: +7 (812)
3097686
Ярославль: +7 (4852)
644647
Электровибраторы ИВ-104Б, ИВ-104Н, ИВ-104Б-6, ИВ-104Н-6, ИВ-104Б-6-П
Оценка (средняя 0)
Предназначены для возбуждения вибрации в установках по уплотнению бетонных смесей и грунтов, транспортированию, выгрузке и просеиванию сыпучих материалов, привода вибропитателей, виброплощадок и других технологических работ, в т.ч. для мини кирпичных...
Запросить консультацию
Заказать продукцию
Характеристики
Характеристики — Электровибраторы ИВ-104Б, ИВ-104Н, ИВ-104Б-6, ИВ-104Н-6, ИВ-104Б-6-П

Предназначены для возбуждения вибрации в установках по уплотнению бетонных смесей и грунтов, транспортированию, выгрузке и просеиванию сыпучих материалов, привода вибропитателей, виброплощадок и других технологических работ, в т.ч. для мини кирпичных блочных установок.

Вибраторы представляют собой трехфазный асинхронный электродвигатель с короткозамкнутым ротором с установленными на концах вала ротора дебалансами. Дебалансы, вращаясь с валом ротора, создают вынуждающую силу.

ИВ-104Н - вибратор повышенной надежности – это повышенная пыле- влаго- защищенность, чугунные щиты, повышенная прочность обмоток, селективная сборка. Повышенный рабочий ресурс до 3000 часов.

ИВ-104Б-6 и ИВ-104Н-6 - для регулирования величины вынуждающей силы вибратора дебалансы на обоих концах вала выполнены двойными.

ИВ-104Б-6-П - предназначен для возбуждения вибрации в установках мельничного оборудования изготавливаемого по лицензии фирмы BUHLER (г. Швейцария).

По требованию заказчика возможно изготовление вибраторов на другое напряжение.

 

Гарантийный срок службы вибраторов – 12 месяцев со дня ввода в эксплуатацию, но не более 18 месяцев со дня отгрузки с завода – изготовителя.

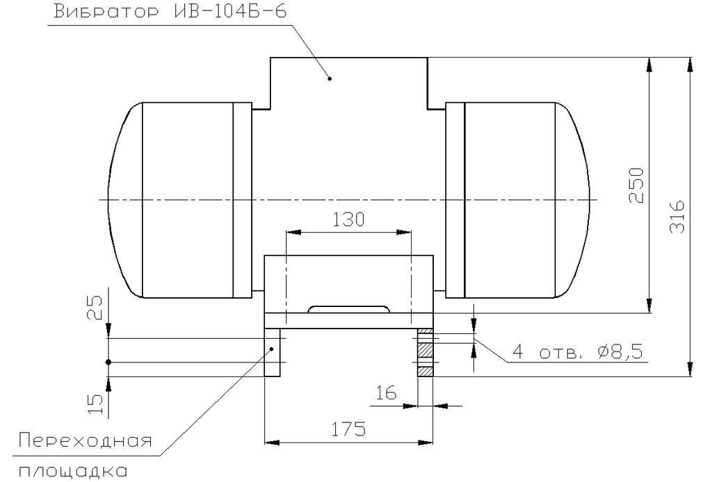
Модель Номинальная потребляемая мощность кВт Синхрон- ная частота, мин -1 Вынуж- дающая сила, кН Статичес- кий момент, кг*см Напря- жение, В Часто- та тока, Гц Габарит- ные размеры, мм Присое- динитель- ные размеры, мм Нара- ботка до отка- за, часы Масса, кг

4- полюсные вибраторы

ИВ-104Б 0,53 1500 3,1...6,2 12,5...25,0 42; 380 50 404х235х250 130х190 700 25,0
ИВ-104Н 0,53 1500 3,1...6,2 12,5...25,0 42; 380 50 404х235х250 130х190 3000 26,5

6- полюсные вибраторы

ИВ-104Б-6-П 0,53 1000 2,7...5,5 25,0…50,0 380 50 515х235х316 80х25 700 40,0
ИВ-104Б-6 0,53 1000 2,7...5,5 25,0...50,0 380 50 515х235х250 130х190 700 33,0
ИВ-104Н-6 0,53 1000 2,7...5,5 25,0…50,0 380 50 515х235х250 130х190 3000 34,5

Купить Электровибраторы ИВ-104Б, ИВ-104Н, ИВ-104Б-6, ИВ-104Н-6, ИВ-104Б-6-П в регионе Ярославль.

Новости и акции компании
© 2000-2026 Все права на разработку принадлежат компании Глобал Энерго Групп. Копирование допускается только с разрешения правообладателей сайта. Политика конфиденциальности. Наш интернет ресурс носит исключительно информационный характер и не является публичной офертой, определяемой положениями Статьи 437 (2) ГК РФ. Для получения точной информации о наличии и стоимости услуг, пожалуйста, обращайтесь к консультантам и менеджерам нашей компании.. Политика конфиденциальности
Москва: +7 (495)
6696898
Санкт-Петербург: +7 (812)
3097686
Ярославль: +7 (4852)
644647