Москва: +7 (495)
6696898
Санкт-Петербург: +7 (812)
3097686
Ярославль: +7 (4852)
644647
FA 10.33-238E + T 17-4/16HEx
Производитель — Wilo
Оценка (средняя 5)
Технический паспорт Характеристики Wilo-EMU FA 10.33E - 50 Гц - 1450 об/мин Характеристики согласно ISO 9906, приложение A Указанные коэффициенты полезного действия соответствуют гидравлическому коэффициенту полезного действия. Агрегат Макс. напор...
Запросить консультацию
Заказать продукцию
Характеристики
Характеристики — FA 10.33-238E + T 17-4/16HEx

Технический паспорт

Характеристики Wilo-EMU FA 10.33E - 50 Гц - 1450 об/мин

Характеристики согласно ISO 9906, приложение A Указанные коэффициенты полезного действия соответствуют гидравлическому коэффициенту полезного действия.

Агрегат
Макс. напор Hmax21.0 M
Макс. расход Qmax141.0 м3/ч
Оптимальный напор Hopt13.5 M
Оптимальный расход Qopt97.2 м3/ч
Напорный патрубокDN 100
Фланцы (по EN 1092-2) PNPN 10
Стандарт подключенияEN 1092-2
Максимальное рабочее давление pmax2.3 бар
Свободный сферический проход80 мм
Режим работы (в погруженном состоянии)S1
Режим работы (в непогруженном состоянии)
Макс. глубина погружения20 м
Степень защитыIP 68
Температура перекачиваемой жидкости T+3 ... +40 В°C
Вес, прим. m92.0 кг
Данные мотора
Подключение к сети3~400 V, 50 Hz
Номинальный ток IN13.5 A
Пусковой ток IA23 A
Номинальная мощность электродвигателя P26.5 кВт
Потребляемая мощность P18.2 кВт
Коэффициент мощности cos φ0.87
Тип пуска«Звезда/треугольник»
Номинальная частота вращения n1,400 об/мин
Число полюсов4
Класс изоляцииF
Макс. частота включений15 1/ч
Допустимый перепад напряженияВ±10 %
Кабель
Длина соединительного кабеля10 м
Тип кабеляH07RN-F
сечение кабеля10G1,5 мм2
Тип соединения кабеляНеразъемный
Тип штекера-
Оснащение/функции
Поплавковый выключатель-
Защита электродвигателяWSK
ВзрывозащитаATEX
материал
Статическое уплотнениеNBR
Рабочее колесоEN-GJS-500-7
Уплотнение со стороны электродвигателяNBR
Скользящее торцевое уплотнениеSiC/SiC
Корпус электродвигателяEN-GJL-250
Корпус насосаEN-GJL-250
Вал насоса1.4021 [AISI420]
Данные для заказа
ИзделиеWilo
Арт.-№6047666
Номер EAN4044966500743
Ценовая группаPG8

Размеры и габаритные чертежи

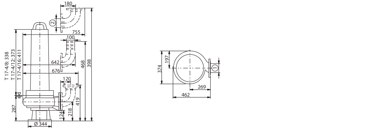
Габаритный чертеж

Wilo-EMU FA 10.33E – стационарная установка в погруженном состоянии

1 = DN100 PN10 / ANSI B16.1, Class 125, Size 4; 2 = DN100 PN10; 3 = DN80 PN10

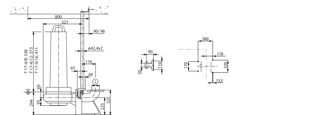
Габаритный чертеж

Wilo-EMU FA 10.33E – переносная установка в погруженном состоянии

1 = DN100 PN10 / ANSI B16.1, Class 125, Size 4; 2 = DN100 PN10; 3 = DN80 PN10

Характеристики

Характеристики Wilo-EMU FA 10.33E - 50 Гц - 1450 об/мин

Характеристики согласно ISO 9906, приложение A Указанные коэффициенты полезного действия соответствуют гидравлическому коэффициенту полезного действия.

Данные для заказа

Данные для заказа
Тип насосаFA 10.33-238E + T 17-4/16HEx
Арт.-№6047666
Номер EAN4044966500743
Цветзеленый
Минимальное количество для заказа1
Единица минимального кол-ва для заказаPCE
Вес (нетто) kg92
Длина (нетто) mm374
Ширина (нетто) mm462
Высота (нетто) mm647
Вес (брутто) kg107
Длина (брутто) mm800
Ширина (брутто) mm600
Высота (брутто) mm870
Вид упаковкиОдноразовый поддон
Свойства упаковкиТранспортировочная упаковка
Штук на поддон1
Количество на один слой1

Описание изделия

Полный текст

Полностью погружной дренажный насос для сточных вод для вертикальной установки в погруженном состоянии, для перекачивания сточных вод с фекалиями и твердыми материалами, а также для коммунальных и промышленных сточных вод. Агрегат полностью выполнен из серого чугуна, уплотнение со стороны насоса выполнено из карбида кремния (SiC), а уплотнение со стороны электродвигателя – из нитрильного каучука (NBR) (модель H) или карбида кремния (SiC) (модель G). Напорный патрубок с горизонтальным патрубком напорного слива и фланцевым соединением. Самоохлаждающийся электродвигатель (F-электродвигатель) или электродвигатель насоса с сухим ротором (T-электродвигатель) в исполнении для трехфазного тока для прямого или звездообразного соединения треугольником с защитой электродвигателя от перегрева (T-электродвигатель, в зависимости от типа) и уплотнительной камерой. Уплотнительную камеру также можно контролировать с помощью внешнего электрода для камеры уплотнений. Агрегаты с электродвигателем T 20.1 дополнительно оснащены камерой утечек, которая контролируется поплавковым выключателем. Водостойкий (только для T-электродвигателя) соединительный кабель длиной 10 м со свободным концом. Все агрегаты с электродвигателем насоса с сухим ротором серийно обладают сертификатом взрывозащиты.

Агрегат
Напорный патрубокDN 100
Фланцы (по EN 1092-2) PNPN 10
Стандарт подключенияEN 1092-2
Максимальное рабочее давление pmax2.3 бар
Свободный сферический проход80 мм
Режим работы (в погруженном состоянии)S1
Режим работы (в непогруженном состоянии)
Макс. глубина погружения20 м
Степень защитыIP 68
Температура перекачиваемой жидкости T+3 ... +40 В°C
Вес, прим. m92.0 кг
Данные мотора
Подключение к сети3~400 V, 50 Hz
Номинальный ток IN13.5 A
Пусковой ток IA23 A
Номинальная мощность электродвигателя P26.5 кВт
Потребляемая мощность P18.2 кВт
Коэффициент мощности cos φ0.87
Тип пуска«Звезда/треугольник»
Номинальная частота вращения n1,400 об/мин
Число полюсов4
Класс изоляцииF
Макс. частота включений15 1/ч
Допустимый перепад напряженияВ±10 %
Кабель
Длина соединительного кабеля10 м
Тип кабеляH07RN-F
сечение кабеля10G1,5 мм2
Тип соединения кабеляНеразъемный
Тип штекера-
материал
Статическое уплотнениеNBR
Рабочее колесоEN-GJS-500-7
Уплотнение со стороны электродвигателяNBR
Скользящее торцевое уплотнениеSiC/SiC
Корпус электродвигателяEN-GJL-250
Корпус насосаEN-GJL-250
Вал насоса1.4021 [AISI420]
Оснащение/функции
Поплавковый выключатель-
Контроль протечек в камере электродвигателя-
Контроль протечек в камере уплотнений-
Контроль протечек в контрольной камере-
Защита электродвигателяWSK
ВзрывозащитаATEX
Данные для заказа
Арт.-№6047666
Номер EAN4044966500743
Ценовая группаPG8
ИзделиеWilo

Купить FA 10.33-238E + T 17-4/16HEx в регионе Ярославль.

© 2000-2026 Все права на разработку принадлежат компании Глобал Энерго Групп. Копирование допускается только с разрешения правообладателей сайта. Политика конфиденциальности. Наш интернет ресурс носит исключительно информационный характер и не является публичной офертой, определяемой положениями Статьи 437 (2) ГК РФ. Для получения точной информации о наличии и стоимости услуг, пожалуйста, обращайтесь к консультантам и менеджерам нашей компании.. Политика конфиденциальности
Москва: +7 (495)
6696898
Санкт-Петербург: +7 (812)
3097686
Ярославль: +7 (4852)
644647