Новости и акции компании
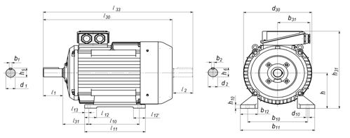
Габаритный чертеж IM 1001 (IM B3)

Привязка мощностей к установочно — присоединительным размерам по стандартам DIN EN 50347
Размеры в мм
* — для исполнений с приливными лапами
** — для исполнений с привертными лапами
*** — для исполнений станины из алюминия/чугуна
Габаритный чертеж IM 1001 (IM B3)

Привязка мощностей к установочно — присоединительным размерам по стандартам ГОСТ 31606
Размеры в мм
* — для исполнений с приливными лапами
** — для исполнений с привертными лапами
*** — для исполнений станины из алюминия/чугуна
Купить IM 1001 - RA, A в регионе Ярославль.





