Технический паспорт
Характеристики
2-полюсный, 50 Гц

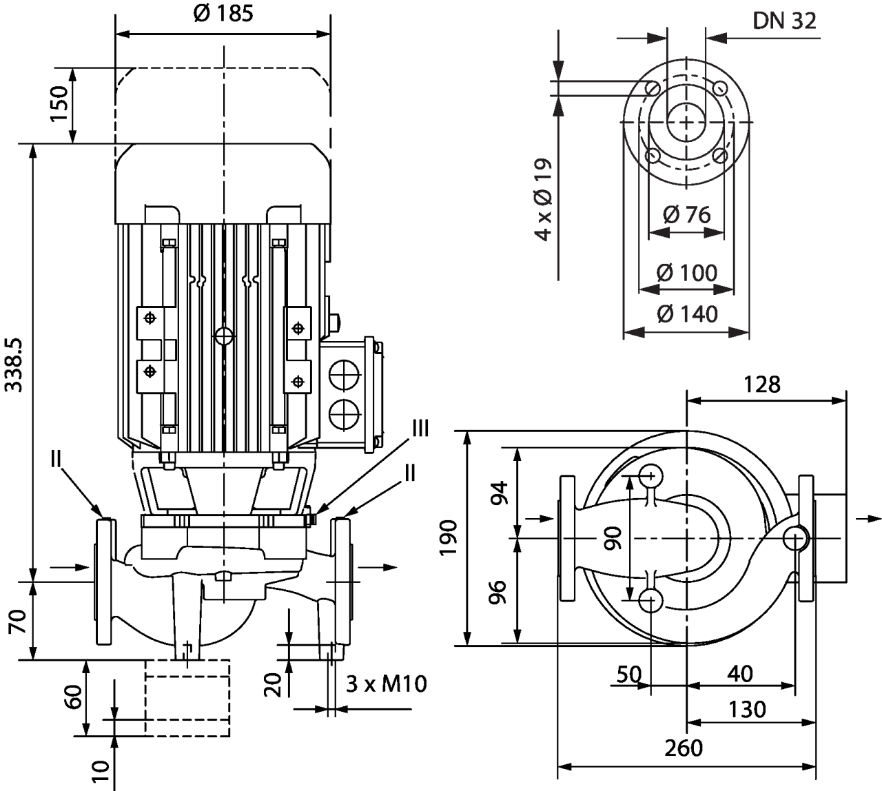
Габаритный чертеж

Указание:
Корпус с опорными ножками для монтажа на фундаменте, консоли по запросу; II отверстие для измерения давления R1/8; III удаление воздуха R1/8
Схема подключения

Δ: Схема соединения – треугольник
Y: Схема соединения – звезда
Защитный выключатель электродвигателя должен предоставляться заказчиком. Контролировать направление вращения! Для изменения направления вращения поменять местами любые две фазы.
| P2 ≤ 3 кВт | 3~400 В Y |
| 3~230 В Δ | |
| P2 ≥ 4 кВт | 3~690 В Y |
| 3~400 В Δ |
После удаления перемычек возможен запуск Y-Δ.
| Допустимая перекачиваемая среда (другие среды по запросу) | |
|---|---|
| Вода систем отопления (согласно VDI 2035) | • |
| Водогликолевая смесь (при доле гликоля 20-40 об. % и температуре перекачиваемой среды ≤ 40 В°C) | • |
| Охлаждающая и холодная вода | • |
| Масляный теплоноситель | Специальное исполнение за дополнительную плату |
| Допустимая область применения | |
| Стандартное исполнение для рабочего давления pмакс | 10 бар |
| Специальное исполнение для рабочего давления pмакс. | 16 бар |
| Диапазон температур при макс. температуре окружающей среды +40 В°C | -20...+120 В°C (в зависимости от перекачиваемой среды) |
| Температура окружающей среды, макс. | +40 В°C |
| Установка в закрытых помещениях | • |
| Установка в открытых помещениях | Специальное исполнение за дополнительную плату |
| Подсоединения к трубопроводу | |
| Номинальный внутренний диаметр фланца | DN 32 |
| Фланцы (по EN 1092-2) | PN 10 (PN 16 по запросу) |
| Фланец с отверстием для манометра | R |
| Материалы | |
| Корпус насоса | EN-GJL-250 |
| Промежуточный корпус | EN-GJL-250 |
| Рабочее колесо | PPO-GF30 |
| Рабочее колесо (специальное исполнение) | – |
| Вал насоса | 1.4021 [AISI420] |
| Скользящее торцевое уплотнение | AQEGG |
| другие скользящие торцевые уплотнения | по запросу |
| Электроподключение | |
| Подключение к сети | 3~400 В, 50 Гц |
| Номинальная частота вращения n | 2900 об/мин |
| Минимальный индекс эффективности (MEI) | |
| Минимальный индекс эффективности (MEI) | ≥ 0.40 |
| Насос с макс. диаметром рабочего колеса для определения MEI | IPL32/135-1,5/2 |
| Мотор/электроника | |
| Встроенная полная защита мотора | Специальное исполнение с термодатчиками за дополнительную плату |
| Степень защиты | IP 55 |
| Класс изоляции | F |
| Номинальный ток (прим.) IN 3~400 В | 2.4 A |
| Класс эффективности мотора | IE3 |
| КПД электродвигателя ηm 50% /ηm 75% /ηm 100% | 78,9/82,0/82,7 % |
| Коэффициент мощности cos φ | 0.8 |
| Номинальная мощность электродвигателя P2 | 1.1 кВт |
| Обмотка мотора мощностью до 3 кВт | 230 В Δ/400 В Y, 50 Гц |
| Обмотка мотора мощностью от 4 кВт | 400 V Δ/690 V Y, 50 Hz |
| Варианты монтажа | |
| Монтаж на трубопроводе (при мощности мотора до ≤ 15 кВт) | • |
| Монтаж на консолях | • |
| Данные для заказа | |
| Вес, прим. m | 24.8 кг |
| Изделие | Wilo |
| Тип | VeroLine-IPL 32/135-1,1/2 |
| Арт.-№ | 2152930 |
Размеры и габаритные чертежи
Габаритный чертеж

Указание:
Корпус с опорными ножками для монтажа на фундаменте, консоли по запросу; II отверстие для измерения давления R1/8; III удаление воздуха R1/8
Характеристики
Характеристики
2-полюсный, 50 Гц

Схема подключения
Схема подключения

Δ: Схема соединения – треугольник
Y: Схема соединения – звезда
Защитный выключатель электродвигателя должен предоставляться заказчиком. Контролировать направление вращения! Для изменения направления вращения поменять местами любые две фазы.
| P2 ≤ 3 кВт | 3~400 В Y |
| 3~230 В Δ | |
| P2 ≥ 4 кВт | 3~690 В Y |
| 3~400 В Δ |
После удаления перемычек возможен запуск Y-Δ.
Данные для заказа
| Данные для заказа | |
|---|---|
| Изделие | Wilo |
| Тип | VeroLine-IPL 32/135-1,1/2 |
| Арт.-№ | 2152930 |
| Номер EAN | 4048482580906 |
| Цвет | зеленый |
| Минимальное количество для заказа | 1 |
| Единица минимального кол-ва для заказа | PCE |
| Вес (нетто) kg | 24.8 |
| Длина (нетто) mm | 411 |
| Ширина (нетто) mm | 190 |
| Высота (нетто) mm | 260 |
| Вес (брутто) kg | 30 |
| Длина (брутто) mm | 600 |
| Ширина (брутто) mm | 380 |
| Высота (брутто) mm | 460 |
| Вид упаковки | Картон |
| Свойства упаковки | Транспортировочная упаковка |
| Штук на поддон | 1 |
| Количество на один слой | 1 |
Описание изделия
Полный текст
Одноступенчатый центробежный насос с сухим ротором компактного линейного типа с прифланцованным электродвигателем трехфазного тока и цельным валом или с промежуточным корпусом и унифицированным электродвигателем (исполнение N), жестко присоединенным с помощью муфты. Серия IPL предназначена для установки в трубах или на фундаменте. Консоли доступны в качестве дополнительных принадлежностей. С не зависящим от направления вращения скользящим торцовым уплотнением в кожухе с принудительным охлаждением и снижающим кавитацию синтетическим рабочим колесом.
Фланцы имеют отверстия R 1/8 для измерения давления. На корпус насоса и промежуточный корпус нанесено катафорезное покрытие.
| Материалы | |
|---|---|
| Корпус насоса | EN-GJL-250 |
| Промежуточный корпус | EN-GJL-250 |
| Рабочее колесо | PPO-GF30 |
| Вал насоса | 1.4021 [AISI420] |
| Скользящее торцевое уплотнение | AQEGG |
| Допустимая область применения | |
| Стандартное исполнение для рабочего давления pмакс | 10 бар |
| Диапазон температур при макс. температуре окружающей среды +40 В°C | -20...+120 В°C (в зависимости от перекачиваемой среды) |
| Температура окружающей среды, макс. | +40 В°C |
| Подсоединения к трубопроводу | |
| Номинальный внутренний диаметр фланца | DN 32 |
| Фланцы (по EN 1092-2) | PN 10 (PN 16 по запросу) |
| Фланец с отверстием для манометра | R |
| Габаритная длина l0 | 260 мм |
| Минимальный индекс эффективности (MEI) | |
| Минимальный индекс эффективности (MEI) | ≥ 0.40 |
| Насос с макс. диаметром рабочего колеса для определения MEI | IPL32/135-1,5/2 |
| Мотор/электроника | |
| Степень защиты | IP 55 |
| Класс изоляции | F |
| Номинальный ток (прим.) IN 3~400 В | 2.4 A |
| Класс эффективности мотора | IE3 |
| КПД электродвигателя ηm 50% /ηm 75% /ηm 100% | 78,9/82,0/82,7 % |
| Коэффициент мощности cos φ | 0.80 |
| Номинальная мощность электродвигателя P2 | 1.1 кВт |
| Номинальная частота вращения n | 2,900 об/мин |
| Вес | |
| Вес, прим. m | 24.8 кг |
| Данные для заказа | |
| Арт.-№ | 2152930 |
| Тип | VeroLine-IPL 32/135-1,1/2 |
| Изделие | Wilo |
Купить IPL 32/135-1,1/2* в регионе Ярославль.