Технический паспорт
Характеристики Wilo-Drain LP 40/10 - 50 Гц - 2900 об/мин

Характеристики согласно ISO 9906, приложение A Указанный коэффициент полезного действия соответствует общему коэффициент полезного действия.
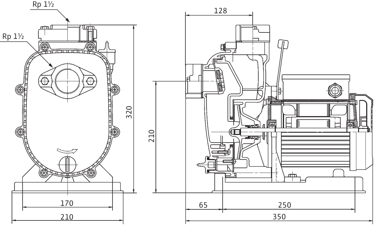
Габаритный чертеж Wilo-Drain LP 40/10

| Агрегат | |
|---|---|
| Макс. напор Hmax | 10 M |
| Макс. расход Qmax | 12 м3/ч |
| Напорный патрубок | Rp 1ВЅ |
| Стандарт подключения | DIN EN 10226-1 |
| Максимальное рабочее давление pmax | 6.5 бар |
| Свободный сферический проход | 5 мм |
| Режим работы (в погруженном состоянии) | - |
| Режим работы (в непогруженном состоянии) | S1 |
| Степень защиты | IP 44 |
| Температура перекачиваемой жидкости T | +3 ... +35 В°C |
| Вес, прим. m | 12 кг |
| Данные мотора | |
| Подключение к сети | 1~230 V, 50 Hz |
| Номинальный ток IN | 2.3 A |
| Номинальная мощность электродвигателя P2 | 0.4 кВт |
| Потребляемая мощность P1 | 0.55 кВт |
| Тип пуска | Прямой |
| Номинальная частота вращения n | 2,900 об/мин |
| Число полюсов | 2 |
| Класс изоляции | B |
| Кабель | |
| Длина соединительного кабеля | 5 м |
| Тип кабеля | H07RN-F |
| сечение кабеля | 3G1 мм2 |
| Тип соединения кабеля | Резиновый шлангопровод |
| Тип штекера | С защитным контактом |
| Оснащение/функции | |
| Поплавковый выключатель | - |
| Защита электродвигателя | WSK |
| Взрывозащита | – |
| материал | |
| Статическое уплотнение | NBR |
| Рабочее колесо | CuZn |
| Скользящее торцевое уплотнение | графит/керамика |
| Корпус электродвигателя | Al |
| Корпус насоса | PP |
| Данные для заказа | |
| Изделие | Wilo |
| Арт.-№ | 2047645 |
| Номер EAN | 4016322712701 |
| Ценовая группа | PG7 |
Размеры и габаритные чертежи
Габаритный чертеж
Wilo-Drain LP 40/10

Характеристики
Характеристики Wilo-Drain LP 40/10 - 50 Гц - 2900 об/мин

Характеристики согласно ISO 9906, приложение A Указанный коэффициент полезного действия соответствует общему коэффициент полезного действия.
Данные для заказа
| Данные для заказа | |
|---|---|
| Тип насоса | LP 40/10 |
| Арт.-№ | 2047645 |
| Номер EAN | 4016322712701 |
| Цвет | Серебристый |
| Минимальное количество для заказа | 1 |
| Единица минимального кол-ва для заказа | PCE |
| Вес (нетто) kg | 12 |
| Длина (нетто) mm | 320 |
| Ширина (нетто) mm | 209 |
| Высота (нетто) mm | 312 |
| Вес (брутто) kg | 0.0 |
| Длина (брутто) mm | 394 |
| Ширина (брутто) mm | 256 |
| Высота (брутто) mm | 342 |
| Вид упаковки | Картон |
| Свойства упаковки | Транспортировочная упаковка |
| Штук на поддон | 1 |
| Количество на один слой | 1 |
Описание изделия
Полный текст
Насос для грязной воды для перекачивания чистой и слабозагрязненной, морской и дренажной воды. Для применения в дренаже, в сельском хозяйстве и для работы с морской водой.
| Агрегат | |
|---|---|
| Напорный патрубок | Rp 1ВЅ |
| Стандарт подключения | DIN EN 10226-1 |
| Максимальное рабочее давление pmax | 6.5 бар |
| Свободный сферический проход | 5 мм |
| Режим работы (в погруженном состоянии) | - |
| Режим работы (в непогруженном состоянии) | S1 |
| Степень защиты | IP 44 |
| Температура перекачиваемой жидкости T | +3 ... +35 В°C |
| Вес, прим. m | 12.0 кг |
| Данные мотора | |
| Подключение к сети | 1~230 V, 50 Hz |
| Номинальный ток IN | 2.3 A |
| Номинальная мощность электродвигателя P2 | 0.4 кВт |
| Потребляемая мощность P1 | 0.55 кВт |
| Тип пуска | Прямой |
| Номинальная частота вращения n | 2,900 об/мин |
| Число полюсов | 2 |
| Класс изоляции | B |
| Кабель | |
| Длина соединительного кабеля | 5 м |
| Тип кабеля | H07RN-F |
| сечение кабеля | 3G1 мм2 |
| Тип соединения кабеля | Резиновый шлангопровод |
| Тип штекера | С защитным контактом |
| материал | |
| Статическое уплотнение | NBR |
| Рабочее колесо | CuZn |
| Скользящее торцевое уплотнение | графит/керамика |
| Корпус электродвигателя | Al |
| Корпус насоса | PP |
| Данные для заказа | |
| Арт.-№ | 2047645 |
| Номер EAN | 4016322712701 |
| Ценовая группа | PG7 |
| Изделие | Wilo |
Купить LP 40/10 в регионе Ярославль.