Москва: +7 (495)
6696898
Санкт-Петербург: +7 (812)
3097686
Ярославль: +7 (4852)
644647
LP 40/10
Производитель — Wilo
Оценка (средняя 5)
Технический паспорт Характеристики Wilo-Drain LP 40/10 - 50 Гц - 2900 об/мин Характеристики согласно ISO 9906, приложение A Указанный коэффициент полезного действия соответствует общему коэффициент полезного действия. Габаритный чертеж Wilo-Drain LP 40/10 ...
Запросить консультацию
Заказать продукцию
Характеристики
Характеристики — LP 40/10

Технический паспорт

Характеристики Wilo-Drain LP 40/10 - 50 Гц - 2900 об/мин

Характеристики согласно ISO 9906, приложение A Указанный коэффициент полезного действия соответствует общему коэффициент полезного действия.

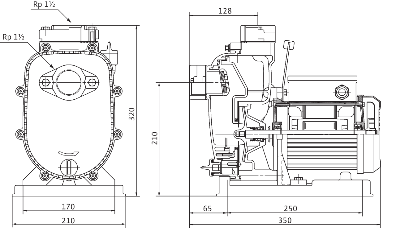
Габаритный чертеж Wilo-Drain LP 40/10

Агрегат
Макс. напор Hmax10 M
Макс. расход Qmax12 м3/ч
Напорный патрубокRp 1ВЅ
Стандарт подключенияDIN EN 10226-1
Максимальное рабочее давление pmax6.5 бар
Свободный сферический проход5 мм
Режим работы (в погруженном состоянии)-
Режим работы (в непогруженном состоянии)S1
Степень защитыIP 44
Температура перекачиваемой жидкости T+3 ... +35 В°C
Вес, прим. m12 кг
Данные мотора
Подключение к сети1~230 V, 50 Hz
Номинальный ток IN2.3 A
Номинальная мощность электродвигателя P20.4 кВт
Потребляемая мощность P10.55 кВт
Тип пускаПрямой
Номинальная частота вращения n2,900 об/мин
Число полюсов2
Класс изоляцииB
Кабель
Длина соединительного кабеля5 м
Тип кабеляH07RN-F
сечение кабеля3G1 мм2
Тип соединения кабеляРезиновый шлангопровод
Тип штекераС защитным контактом
Оснащение/функции
Поплавковый выключатель-
Защита электродвигателяWSK
Взрывозащита
материал
Статическое уплотнениеNBR
Рабочее колесоCuZn
Скользящее торцевое уплотнениеграфит/керамика
Корпус электродвигателяAl
Корпус насосаPP
Данные для заказа
ИзделиеWilo
Арт.-№2047645
Номер EAN4016322712701
Ценовая группаPG7

Размеры и габаритные чертежи

Габаритный чертеж

Wilo-Drain LP 40/10

Характеристики

Характеристики Wilo-Drain LP 40/10 - 50 Гц - 2900 об/мин

Характеристики согласно ISO 9906, приложение A Указанный коэффициент полезного действия соответствует общему коэффициент полезного действия.

Данные для заказа

Данные для заказа
Тип насосаLP 40/10
Арт.-№2047645
Номер EAN4016322712701
ЦветСеребристый
Минимальное количество для заказа1
Единица минимального кол-ва для заказаPCE
Вес (нетто) kg12
Длина (нетто) mm320
Ширина (нетто) mm209
Высота (нетто) mm312
Вес (брутто) kg0.0
Длина (брутто) mm394
Ширина (брутто) mm256
Высота (брутто) mm342
Вид упаковкиКартон
Свойства упаковкиТранспортировочная упаковка
Штук на поддон1
Количество на один слой1

Описание изделия

Полный текст

Насос для грязной воды для перекачивания чистой и слабозагрязненной, морской и дренажной воды. Для применения в дренаже, в сельском хозяйстве и для работы с морской водой.

Агрегат
Напорный патрубокRp 1ВЅ
Стандарт подключенияDIN EN 10226-1
Максимальное рабочее давление pmax6.5 бар
Свободный сферический проход5 мм
Режим работы (в погруженном состоянии)-
Режим работы (в непогруженном состоянии)S1
Степень защитыIP 44
Температура перекачиваемой жидкости T+3 ... +35 В°C
Вес, прим. m12.0 кг
Данные мотора
Подключение к сети1~230 V, 50 Hz
Номинальный ток IN2.3 A
Номинальная мощность электродвигателя P20.4 кВт
Потребляемая мощность P10.55 кВт
Тип пускаПрямой
Номинальная частота вращения n2,900 об/мин
Число полюсов2
Класс изоляцииB
Кабель
Длина соединительного кабеля5 м
Тип кабеляH07RN-F
сечение кабеля3G1 мм2
Тип соединения кабеляРезиновый шлангопровод
Тип штекераС защитным контактом
материал
Статическое уплотнениеNBR
Рабочее колесоCuZn
Скользящее торцевое уплотнениеграфит/керамика
Корпус электродвигателяAl
Корпус насосаPP
Данные для заказа
Арт.-№2047645
Номер EAN4016322712701
Ценовая группаPG7
ИзделиеWilo

Купить LP 40/10 в регионе Ярославль.

Новости и акции компании
© 2000-2026 Все права на разработку принадлежат компании Глобал Энерго Групп. Копирование допускается только с разрешения правообладателей сайта. Политика конфиденциальности. Наш интернет ресурс носит исключительно информационный характер и не является публичной офертой, определяемой положениями Статьи 437 (2) ГК РФ. Для получения точной информации о наличии и стоимости услуг, пожалуйста, обращайтесь к консультантам и менеджерам нашей компании.. Политика конфиденциальности
Москва: +7 (495)
6696898
Санкт-Петербург: +7 (812)
3097686
Ярославль: +7 (4852)
644647