Технический паспорт
Характеристики Wilo-Drain MTC 32 - 50 Гц - Число полюсов: 2

Характеристики согласно ISO 9906, приложение A
| Агрегат | |
|---|---|
| Макс. напор Hmax | 16.0 M |
| Макс. расход Qmax | 15.0 м3/ч |
| Оптимальный напор Hopt | 11.0 M |
| Оптимальный расход Qopt | 9.0 м3/ч |
| Напорный патрубок | Rp 1ВЅ/DN 40 |
| Фланцы (по EN 1092-2) PN | PN 10 |
| Стандарт подключения | EN 1092-2 |
| Максимальное рабочее давление pmax | 1.8 бар |
| Режим работы (в погруженном состоянии) | S1 |
| Режим работы (в непогруженном состоянии) | - |
| Макс. глубина погружения | 7 м |
| Степень защиты | IP 68 |
| Температура перекачиваемой жидкости T | +3 ... +35 В°C |
| Вес, прим. m | 20.0 кг |
| Данные мотора | |
| Подключение к сети | 3~400 V, 50 Hz |
| Номинальный ток IN | 2.5 A |
| Номинальная мощность электродвигателя P2 | 0.7 кВт |
| Потребляемая мощность P1 | 1.2 кВт |
| Коэффициент мощности cos φ | 0.65 |
| Тип пуска | Прямой |
| Номинальная частота вращения n | 2,900 об/мин |
| Число полюсов | 2 |
| Класс изоляции | F |
| Рекомендованная частота включений | 25 1/ч |
| Макс. частота включений | 50 1/ч |
| Допустимый перепад напряжения | В±10 % |
| Кабель | |
| Длина соединительного кабеля | 10 м |
| Тип кабеля | H07RN-F |
| сечение кабеля | 4G1 мм2 |
| Тип соединения кабеля | Неразъемный |
| Тип штекера | - |
| Оснащение/функции | |
| Поплавковый выключатель | - |
| Защита электродвигателя | WSK |
| Взрывозащита | – |
| материал | |
| Статическое уплотнение | NBR |
| Рабочее колесо | EN-GJL-250 |
| Режущий механизм | X102CrMo17KU/Sint C43 DIN 30910-4 |
| Уплотнение со стороны электродвигателя | AL/SiC |
| Скользящее торцевое уплотнение | SiC/SiC |
| Корпус электродвигателя | EN-GJL-250 |
| Корпус насоса | EN-GJL-250 |
| Вал насоса | 1.4021 [AISI420] |
| Данные для заказа | |
| Изделие | Wilo |
| Арт.-№ | 2081261 |
| Ценовая группа | PG8 |
| Номер EAN | 4016322928577 |
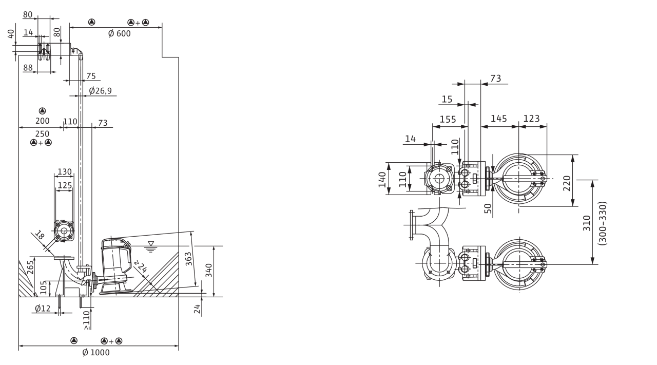
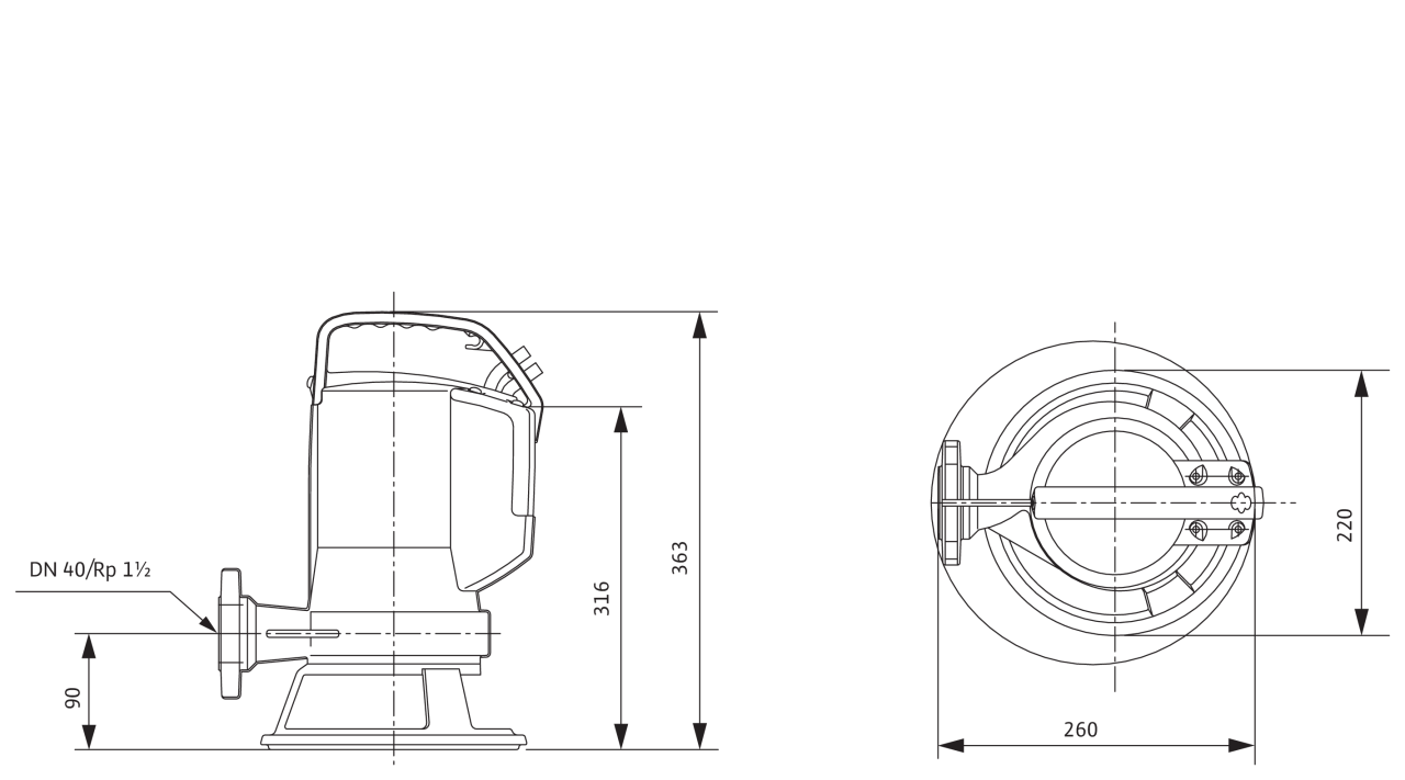
Размеры и габаритные чертежи
Габаритный чертеж
Wilo-Drain MTC 40 - стационарная установка в погруженном состоянии

Габаритный чертеж
Wilo-Drain MTC 40 - мобильная установка в погруженном состоянии

Характеристики
Характеристики Wilo-Drain MTC 32 - 50 Гц - Число полюсов: 2

Характеристики согласно ISO 9906, приложение A
Данные для заказа
| Данные для заказа | |
|---|---|
| Тип насоса | MTC 40F16.15/7 |
| Арт.-№ | 2081261 |
| Номер EAN | 4016322928577 |
| Цвет | зеленый |
| Минимальное количество для заказа | 1 |
| Единица минимального кол-ва для заказа | PCE |
| Вес (нетто) kg | 20 |
| Длина (нетто) mm | 280 |
| Ширина (нетто) mm | 220 |
| Высота (нетто) mm | 363 |
| Вес (брутто) kg | 23 |
| Длина (брутто) mm | 300 |
| Ширина (брутто) mm | 260 |
| Высота (брутто) mm | 395 |
| Вид упаковки | Картон |
| Свойства упаковки | Транспортировочная упаковка |
| Штук на поддон | 1 |
| Количество на один слой | 1 |
Описание изделия
Полный текст
Полностью погружной дренажный насос для сточных вод с внешним режущим механизмом для вертикальной установки в погруженном состоянии, для перекачивания сточных вод с фекалиями. Агрегат полностью выполнен из серого чугуна, уплотнение со стороны насоса выполнено из карбида кремния (SiC/SiC). Напорный патрубок с горизонтальным патрубком напорного слива и резьбовым соединением. Электродвигатель насоса с сухим ротором в исполнении для однофазного или трехфазного тока с масляной камерой с встроенной, автоматически работающей защитой электродвигателя от перегрева и соединительным кабелем длиной 10 м. Исполнение для однофазного тока с поплавковым выключателем и конденсаторной коробкой с штекером с защитным контактом. Трехфазное исполнение со свободными концами кабеля. Сертификат взрывозащиты отсутствует у всех агрегатов.
| Агрегат | |
|---|---|
| Напорный патрубок | Rp 1ВЅ/DN 40 |
| Фланцы (по EN 1092-2) PN | PN 10 |
| Стандарт подключения | EN 1092-2 |
| Максимальное рабочее давление pmax | 1.8 бар |
| Режим работы (в погруженном состоянии) | S1 |
| Режим работы (в непогруженном состоянии) | - |
| Макс. глубина погружения | 7 м |
| Степень защиты | IP 68 |
| Температура перекачиваемой жидкости T | +3 ... +35 В°C |
| Вес, прим. m | 20.0 кг |
| Данные мотора | |
| Подключение к сети | 3~400 V, 50 Hz |
| Номинальный ток IN | 2.5 A |
| Номинальная мощность электродвигателя P2 | 0.7 кВт |
| Потребляемая мощность P1 | 1.2 кВт |
| Коэффициент мощности cos φ | 0.65 |
| Тип пуска | Прямой |
| Номинальная частота вращения n | 2,900 об/мин |
| Число полюсов | 2 |
| Класс изоляции | F |
| Макс. частота включений | 50 1/ч |
| Допустимый перепад напряжения | В±10 % |
| Кабель | |
| Длина соединительного кабеля | 10 м |
| Тип кабеля | H07RN-F |
| сечение кабеля | 4G1 мм2 |
| Тип соединения кабеля | Неразъемный |
| Тип штекера | - |
| материал | |
| Статическое уплотнение | NBR |
| Рабочее колесо | EN-GJL-250 |
| Режущий механизм | X102CrMo17KU/Sint C43 DIN 30910-4 |
| Уплотнение со стороны электродвигателя | AL/SiC |
| Скользящее торцевое уплотнение | SiC/SiC |
| Корпус электродвигателя | EN-GJL-250 |
| Корпус насоса | EN-GJL-250 |
| Вал насоса | 1.4021 [AISI420] |
| Оснащение/функции | |
| Поплавковый выключатель | - |
| Контроль протечек в камере электродвигателя | - |
| Контроль протечек в камере уплотнений | - |
| Контроль протечек в контрольной камере | - |
| Защита электродвигателя | WSK |
| Взрывозащита | – |
| Данные для заказа | |
| Арт.-№ | 2081261 |
| Номер EAN | 4016322928577 |
| Ценовая группа | PG8 |
| Изделие | Wilo |
Купить MTC 40F16.15/7 в регионе Ярославль.