Новости и акции компании
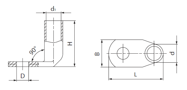
Наконечники кабельные медные луженые ТМЛс (90°) (КВТ)
Тип : ТМЛс (90°)
стандарт КВТ

| Наименование | Сечение (мм²) | Сечение (мм²) | Винт | D(мм) | B(мм) | L(мм) | H(мм) | d(мм) | d₁(мм) |
|---|---|---|---|---|---|---|---|---|---|
| ТМЛс (90°) 10-6 (КВТ) | 10 | - | М6 | 6.4 | 10.0 | 23.3 | 16.0 | 6.3 | 4.5 |
| ТМЛс (90°) 10-8 (КВТ) | 10 | - | M8 | 8.4 | 12.0 | 26.8 | 16.0 | 6.3 | 4.5 |
| ТМЛс (90°) 16-6 (КВТ) | 16 | - | М6 | 6.4 | 12.0 | 24.9 | 21.0 | 7.9 | 5.5 |
| ТМЛс (90°) 16-8 (КВТ) | 16 | - | М8 | 8.4 | 12.0 | 28.4 | 21.0 | 7.9 | 5.5 |
| ТМЛс (90°) 25-8 (КВТ) | 25 | - | М8 | 8.4 | 15.0 | 30.5 | 24.0 | 9.5 | 6.9 |
| ТМЛс (90°) 25-10 (КВТ) | 25 | - | М10 | 10.5 | 15.0 | 35.5 | 24.0 | 9.5 | 6.9 |
| ТМЛс (90°) 35-8 (КВТ) | 35 | - | М8 | 8.4 | 16.5 | 32.0 | 27.5 | 11.0 | 8.2 |
| ТМЛс (90°) 35-10 (КВТ) | 35 | - | М10 | 10.5 | 16.5 | 37.0 | 27.5 | 11.0 | 8.2 |
| ТМЛс (90°) 50-8 (КВТ) | 50 | - | М8 | 8.4 | 19.0 | 34.6 | 31.5 | 12.6 | 9.6 |
| ТМЛс (90°) 50-10 (КВТ) | 50 | - | М10 | 10.5 | 19.0 | 38.6 | 31.6 | 12.6 | 9.6 |
| ТМЛс (90°) 70-10 (КВТ) | 70 | - | М10 | 10.5 | 21.5 | 40.5 | 35.0 | 14.5 | 11.5 |
| ТМЛс (90°) 70-12 (КВТ) | 70 | - | М12 | 13.0 | 21.5 | 42.0 | 35.0 | 14.5 | 11.5 |
| ТМЛс (90°) 95-10 (КВТ) | 95 | - | М10 | 10.5 | 26.5 | 43.5 | 41.0 | 17.5 | 13.5 |
| ТМЛс (90°) 95-12 (КВТ) | 95 | - | М12 | 13.0 | 26.0 | 45.0 | 41.0 | 17.5 | 13.5 |
| ТМЛс (90°) 120-12 (КВТ) | 120 | - | M12 | 13.0 | 29.0 | 49.5 | 45.5 | 19.5 | 15.0 |
| ТМЛс (90°) 150-12 (КВТ) | 150 | - | M12 | 13.0 | 30.5 | 51.5 | 50.5 | 21.0 | 16.5 |
Купить Наконечники кабельные медные луженые ТМЛс (90°) в регионе Ярославль.