Новости и акции компании
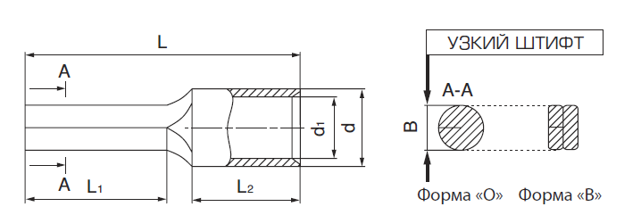
Наконечники кабельные медные штифтовые плоские НШП (КВТ)
Тип : НШП
DIN 46230

| Наименование | Сечение (мм²) | Форма | L(мм) | L₁(мм) | L₂(мм) | d(мм) | d₁(мм) | b(мм) |
|---|---|---|---|---|---|---|---|---|
| НШП 1.5–12 (КВТ) | 0.5–1.5 | О | 17.0 | 11.0 | 5.0 | 3.4 | 1.6 | 1.8 |
| НШП 2.5–12 (КВТ) | 1.5–2.5 | О | 17.0 | 11.0 | 4.8 | 4.1 | 2.3 | 2.0 |
| НШП 6.0–12 (КВТ) | 4–6 | О | 20.0 | 11.2 | 5.7 | 5.5 | 3.3 | 3.0 |
| НШП 10–12 (КВТ) | 10 | B | 22.5 | 11.5 | 8.2 | 7.0 | 4.8 | 4.3 |
| НШП 16–13 (КВТ) | 16 | B | 26.2 | 12.0 | 10.1 | 8.4 | 6.0 | 5.5 |
| НШП 25–15 (КВТ) | 25 | B | 33.6 | 12.0 | 12.3 | 10.5 | 7.0 | 7.0 |
| НШП 35–20 (КВТ) | 35 | B | 40.5 | 19.6 | 16.0 | 11.6 | 8.6 | 8.1 |
| НШП 50–20 (КВТ) | 50 | B | 45.0 | 20.0 | 19.6 | 13.5 | 10.0 | 9.5 |
| НШП 70–25 (КВТ) | 70 | B | 55.5 | 25.0 | 24.0 | 16.0 | 12.0 | 11.0 |
| НШП 95–25 (КВТ) | 95 | B | 55.3 | 24.5 | 22.5 | 19.8 | 13.7 | 12.5 |
Купить Наконечники кабельные медные штифтовые плоские НШП в регионе Ярославль.