Двигатели асинхронные взрывозащищенные трехфазные с короткозамкнутым ротором рудничные ВРПВ160, 180.
Предназначены для привода стационарных и передвижных вспомогательных и забойных машин и механизмов в подземных выработках угольных шахт, рудников и их надземных строениях, опасных по газу (метану) и угольной пыли в соответствии с “Правилами безопасности в угольных шахтах” (ПБ 05-618-03).
Маркировка взрывозащиты – РВ Exd[ia]I.
Вид климатического исполнения – У2,5; Т2,5.
Конструктивное исполнение по способу монтажа – M 9781, IМ 1081, IМ 4081.
Степень защиты от внешних воздействий – IP 54.
Двигатели предназначены для работы от сети переменного тока напряжением 660/1140 В при частоте питающей сети 50 Гц.
По требованию заказчика возможна разработка двигателей на напряжение 380/660 В.
Номинальный режим работы – S1, S4.
Допускается также работа в режимах S2, S3 и S6.
Для двухполюсных двигателей номинальный режим – S1.
Таблица 1
|
Типоразмер двигателя |
Номинальная мощность, кВт |
Частота вращения, об/мин |
КПД, % |
Коэффициент мощности |
Скольжение, |
|
|
|
|
ВРПВ160S2 |
15,0 |
3000 |
89,5 |
0,89 |
2,5 |
6,0 |
1,9 |
2,3 |
|
ВРПВ160М2 |
18,5 |
3000 |
90,0 |
0,90 |
2,5 |
6,0 |
1,9 |
2,3 |
|
ВПРВ160S4 |
15,0 |
1500 |
90,0 |
0,84 |
2,5 |
6,5 |
2,3 |
2,5 |
|
ВРПВ160М4 |
18,5 |
1500 |
90,5 |
0,85 |
2,6 |
6,5 |
2,3 |
2,5 |
|
ВРПВ160S6 |
11,0 |
1000 |
88,0 |
0,82 |
2,5 |
6,0 |
2,1 |
2,4 |
|
ВРПВ160М6 |
15,0 |
1000 |
89,0 |
0,82 |
2,5 |
6,0 |
2,1 |
2,5 |
|
ВРПВ160S8 |
7,5 |
750 |
87,0 |
0,75 |
2,6 |
5,5 |
2,4 |
2,2 |
|
ВРПВ160М8 |
11,0 |
750 |
87,0 |
0,75 |
2,7 |
5,5 |
2,5 |
2,2 |
|
ВРПВ180S2 |
22,0 |
3000 |
90,0 |
0,89 |
2,0 |
6,5 |
1,9 |
2,3 |
|
ВРПВ180М2 |
30,0 |
3000 |
91,0 |
0,90 |
2,0 |
6,5 |
1,9 |
2,3 |
|
ВПРВ180S4 |
22,0 |
1500 |
90,5 |
0,86 |
2,1 |
6,5 |
2,4 |
2,5 |
|
ВРПВ180М4 |
30,0 |
1500 |
91,0 |
0,87 |
2,2 |
6,0 |
2,1 |
2,5 |
|
ВРПВ180М6 |
18,5 |
1000 |
90,0 |
0,83 |
3,0 |
6,0 |
2,0 |
2,4 |
|
ВРПВ180М8 |
15,0 |
750 |
88,0 |
0,76 |
3,5 |
5,0 |
1,9 |
2,2 |
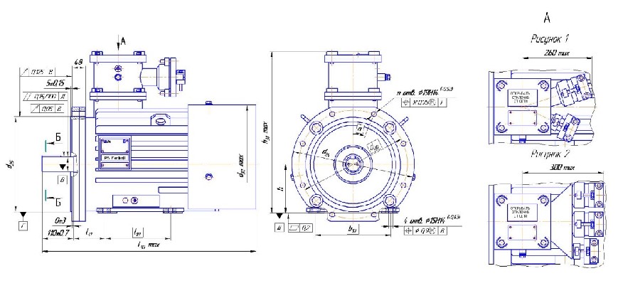
Габаритные, установочно-присоединительные размеры и масса двигателей ВРПВ160, 180.
Конструктивное исполнение по способу монтажа М 9781:

Конструктивное исполнение по способу монтажа IM 1081:

Таблица 2 Размеры в миллиметрах
|
Типоразмер двигателя |
l |
I10 |
l31 ±3 |
l30 max |
d1 |
d20 |
d24 |
d25 |
d30 max |
h -0,5 |
h1 h11(-0.09) |
h5 +0,02 |
h31 max |
|
ВРПВ160S2 |
26 |
178 |
108 |
690 |
42k6(+0,002+0,018) |
350 |
400 |
300j6(0,016) |
400 |
160 |
8 |
45 |
560 |
|
ВРПВ160М2 |
210 |
740 |
|||||||||||
|
ВРПВ160S4, ВРПВ160S6 ВРПВ160S8 |
32 |
178 |
690 |
48k6(+0,002+0,018)
|
9 |
51,5 |
|||||||
|
ВРПВ160М4, ВРПВ160М6, ВРПВ160М8 |
210 |
740 |
|||||||||||
|
ВРПВ180S2 |
203 |
121 |
745 |
48k6(+0,002+0,018)
|
400 |
450 |
350j6(0,018) |
440 |
180 |
600 |
|||
|
ВРПВ180М2 |
241 |
790 |
|||||||||||
|
ВРПВ180S4 |
203 |
745 |
55m6(+0,011+0,030)
|
10 |
59,0 |
||||||||
|
ВРПВ180М4, ВРПВ180М6, ВРПВ180М8 |
241 |
790
|
Продолжение таблицы 2 Размеры в миллиметрах
|
Типоразмер двигателя |
b1 h9(-0.043) |
b10 |
α |
n |
Масса двигателя, кг |
|||
|
IM 1081 |
M9781 / IM 4081 |
|||||||
|
Коробка выводов с двумя вводами (рисунок 1) |
Коробка выводов с тремя вводами (рисунок 2) |
Коробка выводов с двумя вводами (рисунок 1) |
Коробка выводов с тремя вводами (рисунок 2) |
|||||
|
ВРПВ160S2 |
12 |
254 |
45 |
4 |
195 |
205 |
215 / 210 |
225 / 220 |
|
ВРПВ160М2 |
215 |
225 |
235 / 230 |
245 / 240 |
||||
|
ВРПВ160S4, ВРПВ160S6, ВРПВ160S8 |
14 |
240 |
250 |
255 / 250 |
265 / 260 |
|||
|
ВРПВ160М4, ВРПВ160М6, ВРПВ160М8 |
255 |
265 |
275 / 270 |
285 / 280 |
||||
|
ВРПВ180S2 |
279 |
2230 |
8 |
240 |
245 |
260 / 255 |
265 / 260 |
|
|
ВРПВ180М2 |
270 |
275 |
290 / 285 |
295 / 290 |
||||
|
ВРПВ180S4 |
16 |
255 |
260 |
275 / 270 |
280 / 275 |
|||
|
ВРПВ180М4 |
290 |
295 |
310 / 305 |
315 / 310 |
||||
|
ВРПВ180М6 |
265 |
270 |
285 / 280 |
290 / 285 |
||||
|
ВРПВ180М8 |
285 |
290 |
305 / 300 |
310 / 305 |
||||
Купить ВРПВ160, 180 в регионе Ярославль.