Новости и акции компании
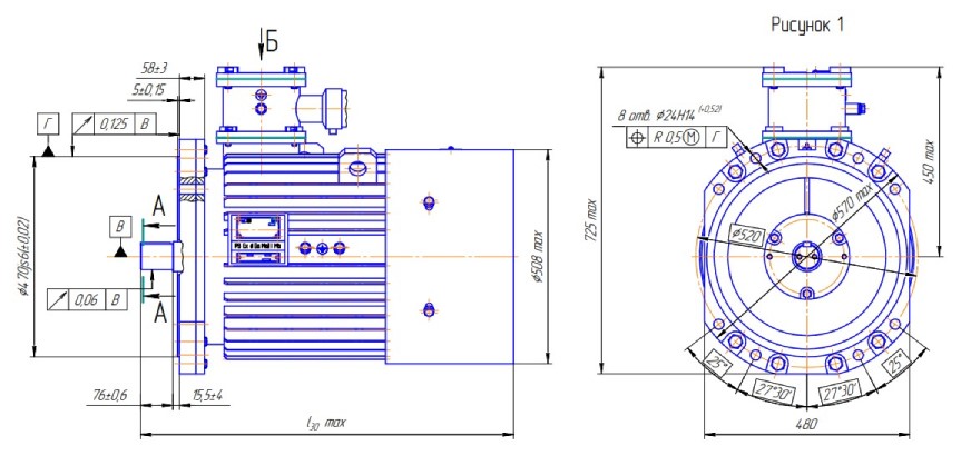
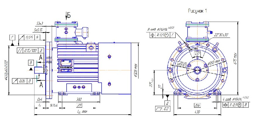
Габаритные, установочно-присоединительные размеры и масса двигателей ВРПВ200-225.
Конструктивное исполнение по способу монтажа IМ 4001, IM 4011:



1. Предельное отклонение массы +5%. Отклонение в противоположную сторону не ограничивается.
Таблица 1
| Типоразмер двигателя | l30 max, мм | Масса двигателя, кг | |
| с коробкой выводов с двумя вводами (рисунок 1) | с коробкой выводов с тремя вводами (рисунок 2) | ||
| ВРПВ225МК2 | 875 | 535 | 540 |
| ВРПВ225МК4 | 905 | 555 | 560 |
Конструктивное исполнение по способу монтажа М 9701:



1. Предельное отклонение массы +5%. Отклонение в противоположную сторону не ограничивается.
Таблица 2 Размеры в миллиметрах
| Типоразмер двигателя | l1 | l30 max | d1 m6(+0,011+0,030 ) |
b1 h9(-0,043) |
h1 h11 |
h5 -0,3 |
Масса двигателя, кг | |
| с коробкой выводов с двумя вводами (рисунок 1) | с коробкой выводов с тремя вводами (рисунок 2) | |||||||
| ВРПВ225М2 | 110±0,7 | 890 | 55 | 16 | 10(-0,09) | 59 | 540 | 545 |
| ВРПВ225М4 | 110±0,8 | 8 950 | 65 | 18 | 11( -0,11 ) | 69 | 555 | 560 |
Купить ВРПВ200-225 в регионе Ярославль.